NBS Source
I'm a manufacturer
RiserSafe Solo Plus - Tec Data Sheet

Technical data sheet

RiserSafe Solo Plus - Tec Data Sheet

by Ambar Kelly Ltd

Technical information

Products related to this literature

View all products(7)
RiserSafe® Solo Plus - Modular Riser Flooring

RiserSafe® Solo Plus - Modular Riser Flooring

More literature from Ambar Kelly Ltd

View all literature (12)
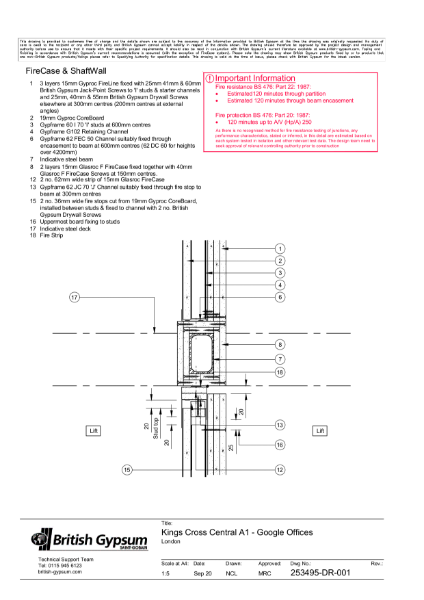
British Gypsum fire wall detail

British Gypsum fire wall detail

Combined RiserSafe & Smoke shaft

Combined RiserSafe & Smoke shaft

British Gypsum Fire Wall

British Gypsum Fire Wall

RiserSafe Clamshell -Tec Data Sheet

RiserSafe Clamshell -Tec Data Sheet